Что делать, чтобы проверить модуль
Что делать, чтобы самостоятельно убедиться в том, что пострадала именно плата? Для начала отключите СМ от электросети и оставьте ее на четверть часа, чтобы модуль перезагрузился.
Если это не помогло, и горит F67, чтобы снять ошибку, понадобится разборка и профессиональный ремонт.
Главный признак этого сбоя – стиральная машина не включается. Точнее:
- Заблокирован люк.
- Не работает индикация.
- Не выполняется ни одна программа.
Мастера сервисных центров, проведя диагностику, определяют, какой тип ремонта нужен в этом случае. И обычно, если возникает ошибка F67, проводят один из видов работ:
- Перекодируют (перепрошивают) электронный модуль (если процессор исправен).
- Ремонтируют плату (также при условии, что процессор исправен).
- Устанавливают новую плату.
Другие признаки поломки платы
Коды неисправностей дают о себе знать далеко не всегда. Если машинка не показывает на дисплее ошибку Ф67, то найти поломку модуля управления можно и по сопутствующим «симптомам». С их помощью можно косвенно определить, что неисправна именно плата.
Это могут быть такие сбои в работе:
- Не отжимается белье.
- Мигают абсолютно ВСЕ лампочки на панели управления, но ошибка не высветилась.
- СМА сливает воду, не успев набрать ее достаточное количество.
- Стирка запускается, но не останавливается.
- Не запускается выбранный вами режим стирки, или процесс стирки идет со сбоями.
- Барабан медленно вращается.
- Двигатель работает либо слишком быстро, либо слишком медленно.
- Вода не греется до нужной температуры или перегревается.

Все перечисленные выше признаки могут указывать на поломку совершенно других узлов – двигателя, насоса, электрического нагревателя и других деталей. Но если вы увидели ошибку F67 на табло, значит, нужно проверить контроллер.
Советы
Кроме низкого качества техники и технического износа ее элементов, а также нарушения правил пользования агрегатом, причиной неисправностей могут стать и объективные факторы, которые прямо влияют на функционирование бытовой техники – это качество воды и подачи электроэнергии. Именно они чаще всего приводят к появлению ошибок.
Любые перепады в сети оказывают на работу стиральной машинки самое неблагоприятное действие, приводят к ее быстрому выходу из строя – именно поэтому проблему нужно обязательно устранить. При этом не стоит полностью полагаться на встроенную систему предохранения от перепадов напряжения внутри самых современных моделей машины – чем чаще она будет срабатывать, тем быстрее износится. Лучше всего обзавестись внешним стабилизатором напряжения – это позволит вам сэкономить средства на ремонт техники в случае проблем в электросети.

Это влечет за собой поломку приборов.
Для профилактики появления известкового налета можно использовать химические составы. Справится с существенными «отложениями солей» они не смогут и не удалят застарелые образования. Такие составы содержат слабую концентрацию кислоты, поэтому обработку техники следует следует проводить регулярно.
Более радикально действуют народные средства – они чистят быстро, надежно и очень качественно. Чаще всего для этого используется лимонная кислота, приобрести которую можно в любом продовольственном магазине. Для этого берут 2-3 упаковки по 100 г и засыпают в отсек для порошка, после чего включают машину на холостом ходу. Когда работа будет завершена, останется только убрать куски отвалившейся накипи.

Впрочем, производители бытовой техники утверждают, что подобные меры чреваты для машинок самыми опасными последствиями и вызывают поломку их деталей. Однако, как свидетельствуют отзывы многих пользователей, использующих кислоту на протяжении многих лет, подобные заверения – не более чем антиреклама.
Каким средством воспользоваться – решать только вам.
Кроме этого, поломка нередко становится следствием человеческого фактора. К примеру, любая забытая металлическая вещь в карманах существенно увеличивает риск выхода оборудования из строя.
Для того чтобы машинка Bosch служила верой и правдой долгие годы, ей требуется регулярная профилактика. Она может быть текущей и капитальной. Текущая производится после каждой стирки, капитальную нужно делать каждые три года.
При проведении капитальной профилактики машинку частично разбирают и проверяют степень износа ее деталей. Своевременная замена старых элементов может спасти машинку от простоя, поломок и даже затопления ванной. Эти правила касаются всех машин Bosch, включая серии Logixx, Maxx, Classixx.
Как сбросить ошибку на стиральной машине Bosch, смотрите далее.
Частые поломки
Перейдем к техническим проблемам, которые препятствуют корректной работе посудомоечных машин. Вполне вероятно, что из-за плохой канализационной воды фильтр, расположенный в месте подключения шланга, попросту засорился. В качестве фильтра выступает специальная сеточка, которую можно почистить при помощи обычной иголки, либо лимонной кислоты, если оставить ее там на 20-40 минут.

Чтобы достать этот фильтр, необходимо снять или открутить крышечку в месте, куда вставляется шланг. В разных стиральных машинках доступ осуществляется по-разному.
Посудомоечная машина может не работать из-за предохранителя, который не позволяет запустить работу, если дверца посудомоечной машинки не закрыта. В современных посудомоечных машинах Boschch есть специальное устройство блокировки, которое могло сломаться. Чтобы починить подобное устройство, придется обратиться в любой сервис, который занимается ремонтом посудомоечных машин. Заливу воды в посудомоечную машинку может мешать клапан, который попросту не открывается. На заливной клапан должен посылаться сигнал, который его открывает. Если клапан не открывается, то придется купить новую деталь и заменить старую, сломанные клапана никто не чинит. В каждой посудомоечной машинке есть прессостат – это специальный датчик, который управляет уровнем воды в посудомоечной машине. Бывает так, что прессостат решает вовсе не набирать воду. Проблема решается заменой сломанной детали. Стоит понимать, что за все в стиральной машинке отвечает один прибор – это управляющий модуль
Если управляющий модуль вышел из строя, то посудомоечная машинка будет работать некорректно либо не будет работать вообще, если не осуществляется управление какой-либо важной функцией. Управляющий модуль подает сигналы другим частям посудомоечной машинки: набрать воду, слить воду, начать работу и другие. Проблему можно решить перепрошивкой управляющего модуля либо заменой этой детали
В современных посудомоечных машинках есть много систем, которые следят за работоспособностью. Aquastop является одной из них, она призвана останавливать подачу воды, если есть протечка либо её вероятность. Вполне вероятно, что посудомоечная машинка не работает из-за протечки, система просто остановила подачу воды
Проблему можно решить перепрошивкой управляющего модуля либо заменой этой детали. В современных посудомоечных машинках есть много систем, которые следят за работоспособностью. Aquastop является одной из них, она призвана останавливать подачу воды, если есть протечка либо её вероятность. Вполне вероятно, что посудомоечная машинка не работает из-за протечки, система просто остановила подачу воды.

Что еще может сломаться
Здесь мы собрали самые популярные проблемы, связанные с посудомоечными машинками. Эти проблемы проще всего диагностировать самостоятельно, а их ремонт обходится в копейки. Довольно часто случается так, что причину поломки невозможно узнать без диагностики, поскольку она не имеет каких-либо признаков. Если вы открывали руководство по эксплуатации посудомоечной машинки, то наверняка заметили пункт, в котором не рекомендуется самостоятельно пытаться чинить посудомоечную машинку.
Нередкой проблемой является поломка насоса. При этой проблеме посудомоечная машинка будет издавать непонятные звуки, которые похожи на гудение. Чтобы узнать, каким образом в посудомоечную машинку попадает вода, необходимо лишь почитать руководство по эксплуатации бытового прибора.
Подводя итоги, можно сказать, что большинство поломок в посудомоечной машинке можно диагностировать самостоятельно, но исправить их без предварительной подготовки вряд ли получится, здесь потребуется помощь специалиста, который давно этим занимается. Также помните, что по всем признакам причина может быть одна, а на самом деле сломалась другая деталь.
Для каких целей вообще предназначены посудомоечные машины? Естественно, для того, чтобы облегчить нам с вами жизнь, потому что не всегда есть силы и желание мыть посуду, а так — поставил, включил, и она себе моет. Но что делать, если посудомоечная машина Bosch не включается? Какие причины и как их устранить, мы расскажем в этой статье.
Характерные неисправности стиральных машин Bosch
Наиболее частыми неполадками являются:
- отсутствие нагрева воды;
- не производится слив воды;
- не вращается барабан;
- шумы и вибрация;
- вода не заливается после запуска программы;
- не работает электромотор.
Рассмотрим каждую неисправность с указанием возможных вариантов причин, которые к ним могут привести.
Вода не нагревается
Наиболее уязвимой частью техники является нагревательный элемент (ТЭН), он подвержен поломкам при интенсивном использовании устройства и при плохом качестве воды, вследствие чего на нем образовывается толстый слой накипи из отложений соли. Решением проблемы в большинстве случаев служит самостоятельная очистка ТЭНа от накипи или его замена замена. При эксплуатации стиральной машины с жесткой водой, как правило, замена требуется через 3-5 лет эксплуатации.
Может отсутствовать нагрев воды также по причине выбора неподходящей программы стирки, в таком случае перечитайте инструкцию и выбирайте подходящую программу и режим.
Не набирается вода
Потенциальные причины:
- низкое давление воды в трубопроводе или отключение водообеспечения;
- перекрыт заливной клапан;
- поломка контроллера уровня воды или впускного клапана.
Не сливается вода
Если вода не стекает через сливной шланг, необходимо проверить выбор программы. В некоторых моделях предусмотрены программы без слива. При необходимости выберите режим со сливом воды.
Препятствовать сливу воды может засорение сливного шланга, который нужно прочистить и промыть. Также нужно проверить фильтр и патрубок на наличие мелких предметов, волос и ниток, шерсти. Иными предпосылками могут стать неисправности насоса, сбои в функционировании электронной платы.
Ремонт стиральных машин лучше доверить профессионалам!!!
Представляем вам наш уникальный каталог частных мастеров и сервисных центров
— BigWash.ru
Выберете в фильтре свой город и мастера: по рейтингу, отзывам, цене!
Не крутится барабан
Большинство современных моделей имеют встроенную защиту от перегрузки, то есть барабан не будет вращаться и стирка не начнется, пока не будут извлечены лишние вещи из барабана. Если после этого, покрутив рукой, он вращается, можно начинать стирку.
Прочие причины неисправности:
- разрыв или смещение ремня привода;
- перегорел нагревательный элемент;
- поломка тахогенератора или насоса;
- не работает электродвигатель.
Чрезмерный шум и вибрация
Если вы наблюдаете сильный шум и вибрацию при первой стирке, выключите устройство и проверьте, убраны ли транспортировочные болты, поскольку из-за них агрегат может вибрировать и гудеть.
Прочими причинами могут стать недостаточная загрузка, неровная установка или попадание мелких предметов.
Распространенной причиной также является износ подшипников и сальников, засоры фильтра и патрубка, неполадки сливного насоса. Все эти неисправности решаются самостоятельной заменой вышедших из строя элементов, или прочисткой фильтра и патрубка.
Стиральная машина не включается
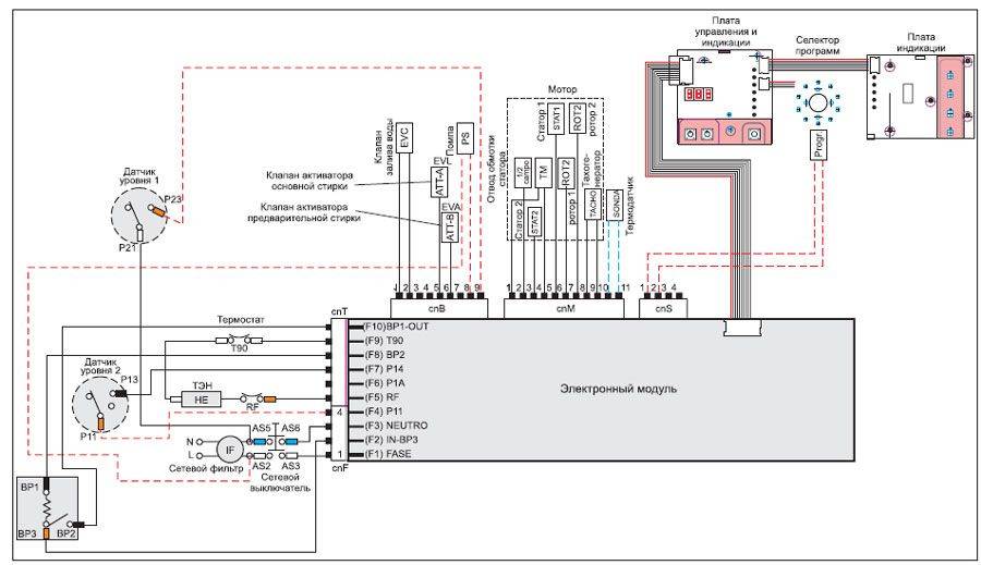
Первым делом проверьте, если ли электричество в розетке, исправна ли розетка, есть ли вода в трубопроводе. Если вода и электричество есть, тогда поломка может быть спровоцирована неисправностью электронного модуля, об этом должен быть выведен соответствующий код ошибки на дисплее.
В видеоролике описана диагностика и поэтапное устранение ошибки с отжимом. Такие неполадки связаны с поломками прессостата, электромотора или модуля управления.
Если невозможно выявить неисправность, не показан код ошибки, тогда необходимо обратиться к мастеру для проведения специальной диагностики.
Коды ошибок стиральных машин Бош Maxx 5,6,7.
Начнем с кодов ошибок стиральных машин Бош Maxx 5,6,7. В приведенной ниже таблице показаны основные ошибки стиральной машины Бош, которые доступны пользователю в случае возникновения неисправности. Коды ошибок стиральных машин Бош Maxx 5,6,7 выводятся на обычном режиме стирки, поэтому пользователь сам может идентифицировать неисправность своей машинки. Коды неисправностей выводятся на дисплей, а при его отсутствии считываются по комбинации мигания индикаторов отжима. И тот и другой вариант есть в таблице.
| Код на дисплее | Код без дисплея, считывается индикатором скорости отжима | Описание ошибки | Причина возникновения и устранение |
| F16 | Не закрыт люк загрузки белья | Закройте плотнее люк и заново запустите режим. | |
| F17 | Превышено время залива воды. | Проверить: открыт ли кран; не ли засора фильтра заливного шланга; возможно слишком низкое давление в водопроводе. | |
| F18 | Слишком долгий слив. | Проверяем: исправен ли сливной насос (рабочее сопротивление обмотки 170-200 Ом); есть ли засор в фильтре и шланге слива; исправность датчика уровня (прессостат); исправность или засор резинового шланга прессостата. | |
| F19 | Слишком долгий нагрев. | Проверить: исправен ли тэн (рабочее сопротивление 25-30 Ом); напряжение в электрической сети (должно быть не ниже 200 В); проводку и соединения тэна. | |
| F20 | Нагрев происходит не по программе. | Вышел из строя: температурный датчик NTC; реле включения тэна на плате. | |
| F21 | Проблема в системе управления двигателем, двигатель не вращает барабан. | Проверяется исправность: датчика тахо; симистора на плате управления; реле реверса мотора на плате. | |
| F22 | Неисправен температурный датчик NTC. | Проверяем: датчик NTC, если замкнут или в обрыве, тогда меняем; проводку и клеммы NTC. | |
| F23 | Сработал AQUA STOP, произошла протечка. | В поддоне скопилась вода, произошла протечка, проверяем: Герметичность бака и патрубков СМА; Датчик Aqua Stop и его проводку. | |
| F40 | Напряжение в сети не соответствует нормальному. | Проверяем напряжение в электрической сети, рабочее напряжение 220 В | |
| F63 | Неисправность программного обеспечения. | Проверяется: прошивка памяти; процессор платы. При необходимости меняем плату. |
«Отметите» банальные причины
Ошибка Е5 нередко проявляется и при отсутствии каких-либо поломок. Самое очевидное и банальное – в центральном водопроводе нет воды или напор слишком слаб. Логично, что в таком случае стиралка не способна наполнить барабан и запустить стирку.
Система стиральной машинки устроена так, что на каждое действие выделяется энное количество времени. Не успела жидкость в нужном объеме поступить в бак, значит, идет автоматический сбой и отмена цикла.
Как такового ремонта здесь не нужно – остается только зафиксировать неполадку. Достаточно открыть кран с холодной водой и оценить мощность напора. Если струя слишком слабая или вообще отсутствует, то стирка невозможна. Решить проблему можно двумя путями:
- подождать, когда вода появится (возможно, идет ремонт труб);
- обратиться в ЖЭК и уточнить причину отключения воды (велика вероятность, что произошла авария, и в УК не знают о случившейся проблеме).
Если в кране вода есть, значит, проблема в другом. Первым делом проверяем, открыт ли выделенный под стиралку кран. Здесь возможны три варианта: вентиль закрыт, открыт или сломан. В двух последних случаях придется починить или заменить запорный механизм.
Коды ошибок
| Код ошибки | Неисправность | Причины и способы устранения |
| F01 | Не закрыта дверца люка | Убедиться в плотном прилегании дверцы и наличии характерного щелчка при закрытии. Возможно, вышло из строя устройство блокировки или датчик закрытия. Узел дверцы можно заменить целиком или разобрать и заменить необходимое: петлю, язычок-фиксатор и т.д. |
| F02 | Вода не поступает внутрь | Проверить:
— подачу холодной воды от стояка; — входной фильтр на предмет засора; — исправность впускного клапана. |
| F03 | Машина не сливает воду | Слить воду в ручном режиме.
Проверить: — фильтр, сливной шланг на предмет засора; — исправность сливного насоса. В худшем случае – неполадка платы управления. |
| F04 | Утечка воды в системе | Проверить подключение всех шлангов и соединений внутри машины на герметичность. |
| F16 | Не закрыта дверца люка | Аналогично ошибке F01. |
| F17 | Превышено время залива воды | Аналогично ошибке F02. |
| F18 | Превышено время слива воды | Аналогично ошибке F03. |
| F19 | Превышено время нагрева воды | Проверить целостность цепи ТЭНа. Очистить ТЭН от накипи. Убедиться в соответствии мощности ТЭНа техническим требованиям машинки, если он был только что установлен. |
| F20 | Неожиданный нагрев | Возможно вышел из строя датчик температуры или реле ТЭНа. Сломанный элемент подлежит замене.
В худшем случае неисправна плата управления. |
| F21 | Приводной мотор не вращает барабан | Следует снять заднюю крышку и проверить состояние приводного ремня, его посадку на валы барабана и генератора.
Далее необходимо ремонтировать мотор. При необходимости — менять. Не крутить барабан машинка также может из-за неисправности платы управления. |
| F22 | Ошибка датчика температуры | Поломка или короткое замыкание контактов датчика. Следует прозвонить электрическую цепь. |
| F23 | Активизация защиты от протечек | Аналогично ошибке F04. |
| F25 | Ошибка датчика мутности | Проверить:
— датчик на наличие известкового налета; — выпускную систему на предмет засора; — сливную помпу. Также возможно поступление слишком грязной воды из стояка. |
| F26 | Ошибка датчика давления | Возможен выход из строя датчика, электромагнитного клапана, разгерметизация системы. |
| F27 | Ошибка датчика давления | Аналогично ошибке F26. |
| F28 | Ошибка датчика потока (значение вне допустимых границ) | Проверить:
— поступление воды в систему и ее давление; — исправность электромагнитного клапана. Возможно, вышел из строя сам сенсор. |
| F29 | Вода не идет через датчик потока | Проверить:
— правильность подключения машинки; — поступление воды в систему; — исправность электромагнитного клапана; Возможно, вышел из строя сам сенсор. |
| F31 | Уровень воды превысил допустимый максимум | Исключить неправильное подключение машины.
Сломан клапан забора или сливная помпа. Неисправен датчик давления. Проверить шланг слива на перегибы. |
| F34 | Дверца люка не заблокирована | Проверить:
— прилегание дверцы; — механизм блокировки; — электрическую цепь датчика блокировки. |
| F36 | Блокиратор дверцы неисправен | Проверить проводку, при необходимости заменить устройство блокировки. |
| F37 | Неисправен датчик температуры | Аналогично ошибке F22. |
| F38 | Короткое замыкание датчика температуры | Проверить электрическую цепь датчик-плата. Заменить датчик. |
| F40 | Ошибка в сети электропитания | Причиной могут быть всевозможные проблемы в сети питания: низкое напряжение, скачок напряжения, и т.д. Следует попробовать подключиться к другой питающей линии (например, через удлинитель). Вызвать электрика. |
| F42 | Превышен максимум оборотов двигателя | Вышел из строя двигатель или датчик оборотов.
Проблемы с напряжением сети. Сбой управляющей платы. |
| F43 | Блокировка двигателя | Исключить механическую блокировку барабана или приводного ремня посторонними предметами.
Вышел из строя подшипник барабана. Чрезмерная загрузка бака. |
| F44 | Отсутствует задний ход двигателя | Сломано реле реверса.
Барабан перегружен. Сбой платы управления. |
| F59 | Ошибка датчика положения барабана | Поломка датчика. Неровное положение аппарата на полу. Перегруз барабана. |
| F60 | Ошибка датчика потока | Аналогично ошибкам F28, F29. |
| F61 | Ошибка датчика блокировки | Аналогично F36, F01. |
| F63
или |
Включение функциональной защиты | Ошибка программного обеспечения.
Ошибка центрального процессора. Замена платы управления или перепрограммирование ПО. |
| F67 | Ошибка контроллера | Замена или перепрограммирование узла. |
| E02 | Поломка двигателя | Замена агрегата полностью. Ремонт возможен, если причина в износе графитовых щеток двигателя или подшипника ротора. |
| E67 | Ошибка блока управления | Аналогично F67. |
Расшифруем код
Как уже было сказано, код E00 обозначает не ошибку, а положительный результат, который выдает стиральная машина в результате сервисного тестирования. Иными словами стиральная машина Bosch говорит нам, что сервисный тест пройден, ошибок нет.

Вроде хорошая новость для пользователя. Раз ошибок нет, значит, стиралка исправна, но ведь воспользоваться ей по прямому назначению человек не может. На дисплее по-прежнему горит Е00, и машина отказывается стирать даже после нескольких перезагрузок (обесточивании и повторных включений). Получается абсурдная ситуация. С одной стороны, стиралка сообщает об отсутствии неисправностей, с другой — работать она все равно отказывается – логический тупик? На самом деле нет. Можно попробовать ошибку сбросить.
Можно ли сбросить ошибку?
В нормальной ситуации код E00 на стиральной машине Bosch может появиться лишь после определенных манипуляций со стороны пользователя. А именно: ввода машины Bosch в режим сервисного тестирования и запуска этого режима. Если у стиральной машины нет неисправностей, появится код E00. Но бывает так, что вы ничего не делали, а машинка, вдруг, после очередного включения выдает данный код. Причин несколько:
- после короткого замыкания, произошел кратковременный сбой в модуле управления, который случайно активировал режим сервисного тестирования;
- после того же короткого замыкания оказались повреждены некоторые полупроводниковые элементы, от чего машина вошла в режим сервисного тестирования, и не выводится оттуда стандартным способом;
- поработал маленький ребенок, покрутил ручку на панели управления, понажимал кнопки и ввел стиралку в сервисный режим.
Первый и последний вариант, из вышеуказанного списка, встречается чаще всего, поэтому попробуем вывести стиральную машину из сервисного режима своими руками, а если не поможет, будем думать. Совершим следующие манипуляции.

- Отключим стиральную машину от электропитания.
- Включаем машинку, дожидаемся, когда появится ошибка Е00.
- Ставим ручку выбора программ стирки на полоскание (оно находится в самом низу).
- Поворачиваем ручку в положение отжим (на 7 часов, как выражаются специалисты), одновременно другой рукой жмем на кнопку, которая обозначается рисуночком спирали – «обороты отжима».
- Дожидаемся, пока на дисплее появится изображение трех восьмерок.
- Опять поворачиваем ручку на две секции вправо (программа джинсы), чтобы указатель встал в положение «5 часов».
- Далее ждем несколько секунд и по часовой стрелке поворачиваем ручку в положение «выкл».
Если все сделали правильно, то повторное включение стиральной машины Bosch обрадует вас, поскольку назойливый код E00 исчезнет и «домашняя помощница» заработает, как ни в чем не бывало. Если вы уверены, что все сделали как надо, а E00 так и висит, скорее всего, это серьезная неисправность, и возникла она в электронном модуле стиральной машины Bosch.
Ремонт электронного модуля
Итак, убрать код E00 на стиралке Bosch не удалось стандартным способом, значит, 99,9% поврежден модуль управления. Причем узнать заранее, что сломалось в электронном модуле, какие полупроводниковые элементы сгорели – невозможно без извлечения платы и детальной ее диагностики. Стоит ли делать ремонт электронных модулей своими руками? Вопрос риторический, если, конечно, вы не опытный электронщик и иметь дело с печатными платами вам приходится каждый день.
Если, например, речь идет о самостоятельно починке УБЛ или помпы, тут мы обеими руками «за», поскольку даже если что-то из этого сломаете, купить замену несложно, ведь это распространенные и дешевые детали. Что касается электронных модулей тут можно реально разориться.

В частности оригинальный электронный модуль на стиральную машинку Bosch Maxx 4 стоит около 460 долларов. На эти деньги можно легко купить новую стиральную машину. Задайте себе вопрос: будите ли вы, являясь дилетантом, ковырять деталь, рискуя «попасть» на такую сумму, и если вы разумный человек, ответ для вас очевиден. Лучше направьте энергию в более конструктивное русло. Найдите хорошего мастера, который осмотрит и починит сломанный электронный модуль.
Подводя итог, отметим, код E00, оказывается, не сообщает пользователю о какой-либо ошибке, а как раз наоборот, говорит, что машинка полностью исправна. Другой вопрос, почему машина сама вошла в режим сервисного тестирования и решила проверить систему на неисправности? На этот вопрос удастся ответить, только изучив ситуацию на месте. Возможно, это будете делать не вы, а профессиональный мастер. Удачи!
Детально проверяем помпу
Если обнаружить причину отображения на дисплее кода D02 так и не получилось, придется переходить к проверке помпы. Чтобы получить доступ к сливному насосу, необходимо уложить стиральную машину на заднюю стенку. Прежде чем переворачивать агрегат, убедитесь, что в диспенсере и баке отсутствует вода. Алгоритм действий для диагностики помпы первым способом:
- отключите СМА от сети и коммуникаций;
- уложите стиралку на пол и загляните внутрь через отсутствующее дно;
- снимите фишки или клеммы с помпы;
- подключите к сливному насосу клеммы от проводника с вилкой, который необходимо подготовить заранее;
- убедитесь, что соединение надежно, сторонние контакты отсутствуют;
- включите вилку проводника в розетку;
- оцените работоспособность помпы. Если она начнет функционировать и выводить воду, значит со сливной системой все в порядке. Причину невозможности удаления воды из бака придется искать в главном управляющем модуле или прессостате.
Второй способ – проверить насос с помощью мультиметра. Тестер переводится в режим измерения сопротивления, а его щупы прикладываются к контактам помпы. Если мультиметр выдаст значение сопротивления в интервале от 150 до 260 Ом, значит, сливной насос исправен. Отображение на дисплее прибора «0» уведомит о коротком замыкании элемента. Если нормативное значение будет превышено – значит можно говорить об обрыве статорной обмотки.
Выявив отклонения в значении сопротивления и диагностировав поломку, необходимо демонтировать вышедший из строя насос и установить новую помпу. Починка старого элемента своими руками нецелесообразна, а иногда просто невозможна. Допускается и механическая проверка сливного насоса. Чтобы провести диагностику помпы таким образом, необходимо:
- снять улитку;
- провернуть крыльчатку. Идеально, если вращение осуществляется прерывисто;
- пошатать крыльчатку влево-вправо поперек оси. Если вы заметите даже небольшой люфт, значит можно говорить о неисправности насоса и необходимости его замены;
- включить помпу в розетку, подсоединив к ней сетевой шнур. Моторчик должен работать исправно, не издавая шума.
Важно, чтобы приобретаемая помпа была аналогичной мощности и повторяла вариант крепления к месту посадки. Если устранить поломку после проверок так и не удалось, вероятно, причина кроется в главном блоке управления
Ремонт платы лучше доверить опытному мастеру.
Поделитесь своим мнением — оставьте комментарий


















































